Hochvolt-(HV-)Steckverbinder im Realtest: Belastbare DeratingKurven, IPNachweise und Lebensdauer bis 1.000 V / 1.000 A je Pfad

Problemstellung des Kunden

Ein Tier1Zulieferer entwickelt eine neue Generation von HV-Steckverbindern für den Einsatz im E-Antriebsstrang. Für die DV/PV-Freigabe waren belastbare Nachweise zur Stromtragfähigkeit inkl. Derating, zu Steckzyklen und Verriegelung, zu IP-Schutzarten sowie zur Beständigkeit gegenüber Klima, Korrosion, UV-Belastung, Medien und mechanischer Beanspruchung erforderlich. Die Dokumentation sollte normgeführt (u. a. LV 215 sowie relevante Teile der DIN EN 60512Reihe) und vollständig rückverfolgbar sein – bei engem Terminplan und mehreren Varianten.

Lösung von AUCOTEAM

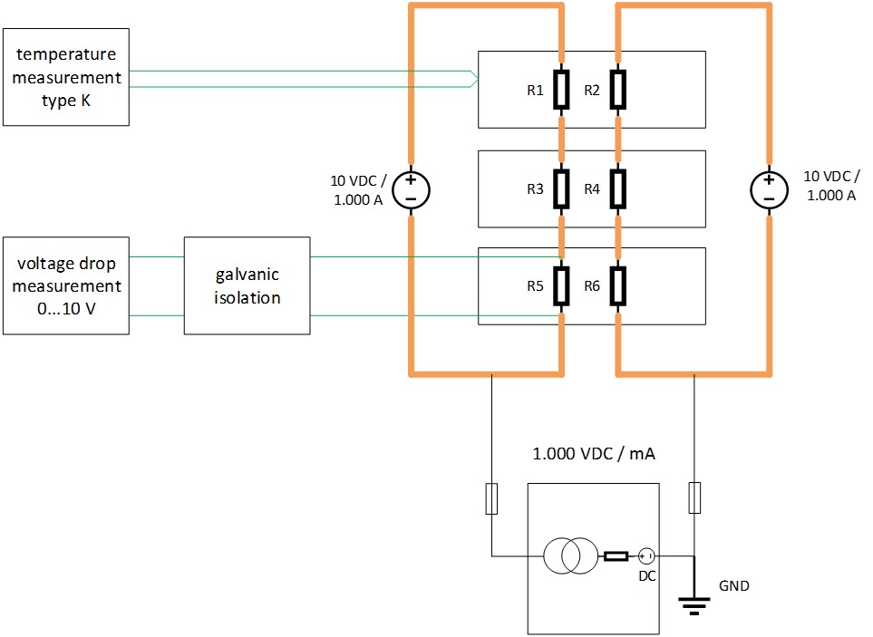
AUCOTEAM führte die Validierung auf einem modularen „Heart-of-Test“-Rack durch. Das System vereint HV-Sicherheitskonzept, zeitsynchrone Datenerfassung und standardisierte Schnittstellen zu Klima/Temperaturschränken, Wasserkühlung und Shaker. Der Prüfaufbau erlaubte bis zu sechs Strompfade, Leiterquerschnitte bis 360 mm², Spannungen bis 1.000 V und Ströme im Bereich von ca. 1.000 A je Pfad. Erfasst wurden u. a. 12 galvanisch getrennte
Spannungsabfälle bis 1.000 V und 12 Temperaturkanäle; CAN/LIN wurden in die Testlogik eingebunden. Die Sequenzen liefen automatisiert mit Grenzwertüberwachung und Soft-Safety.

Die Ermittlung der Derating-Kurven erfolgte in zwei Kammern gemäß DIN EN 6051251/52 einschließlich Hot-Spot-Validierung per Wärmebild. Umweltprüfungen umfassten Klimaprüfungen, Salzsprühnebel, Sonnensimulation nach DIN 75220, IP-Schutzarttests, chemische Beständigkeit, Vibration und Schock; zusätzlich wurden Eiswasser-Tauchtests, Schwallwasser und Funktionsprüfungen unter Last durchgeführt. Abweichungen wurden mit Trendanalysen des Kontaktwiderstands bewertet; alle Messpunkte sind auditfest rückverfolgbar. Das Projekt wurde 2022 abgeschlossen und liegt damit innerhalb der letzten fünf Jahre.

Besonderheiten der Lösung von AUCOTEAM

  • Schneller Kampagnenstart: wiederverwendbares Test-Rack, vorkonfigurierte Messketten, kurze Rüstzeiten.
  • Parallele Validierung mehrerer Varianten mit identischem Setup für robuste A/B-Vergleiche von Kontaktgeometrien und Materialien.
  • Vollständige Ableitung der Derating-Kurven inkl. Hot-Spot-Analyse, Grenzfallbetrachtung und dokumentierter Messunsicherheit.
  • Umwelt und IP-Nachweise aus einer Hand: Klima, Korrosion, UV/Sonne, Medienbeständigkeit, Vibration/Schock, Schwallwasser und Eiswassertauchen.
  • Durchgängige Traceability: automatisierte Protokolle, Seriennummerntracking, strukturierte Fotodokumentation, prüfstandsnahe Datenhaltung.
  • Flexible Engpasslösungen: vom On-Demand-Testing bis zur temporären Inhouse-Miete von Infrastruktur und Personal.

Ihr Ansprechpartner für Testverfahren

Christian Kretschmer
Leiter Testlabor
David Pawelczyk
Qualitätssicherung

Innovative Köpfe gesucht!

Gestalten Sie mit uns die Technologien von morgen – bei einem Arbeitgeber mit Haltung, Entwicklungsperspektive und Sinn für Teamgeist.

 

Karriere bei AUCOTEAM  Jetzt bewerben  Offene Stellen